10-11-2015, 05:20 PM
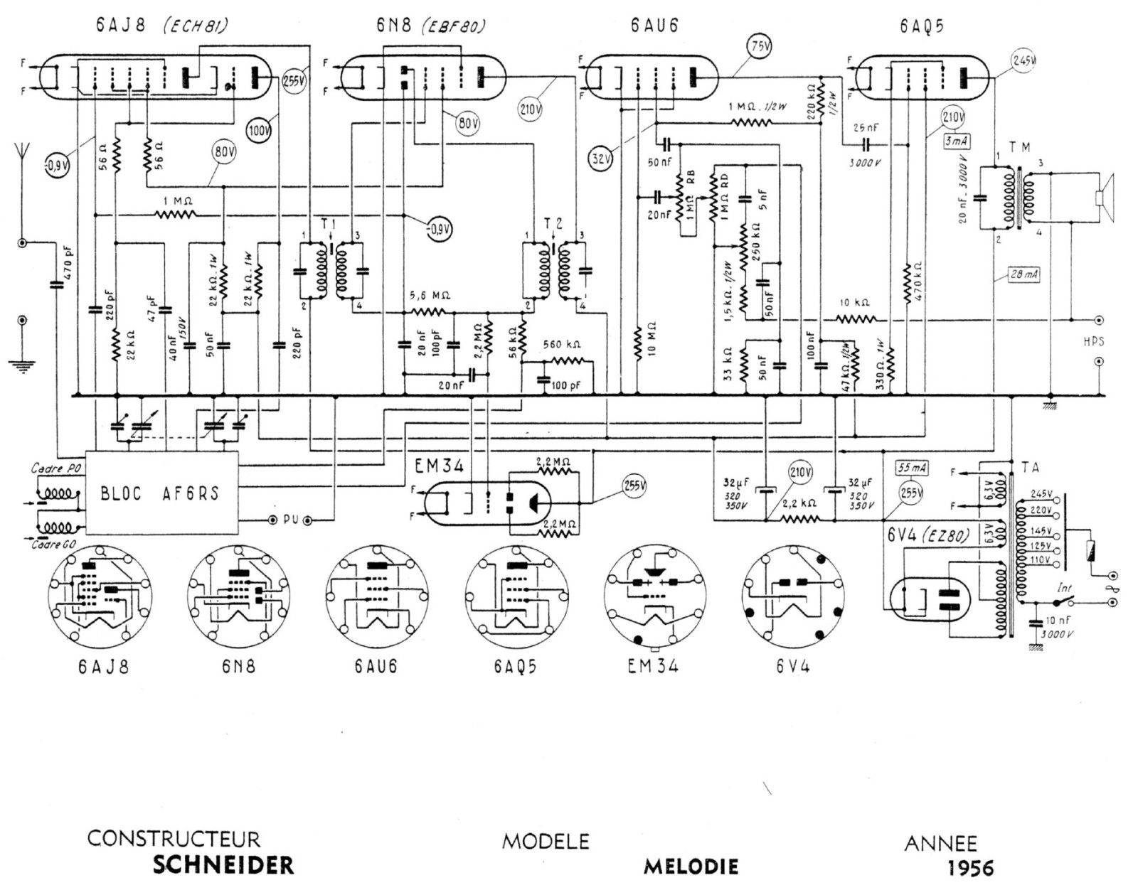
Thanks for the circuit Lawrence, trying to get my head around the way it is drawn out, not very English at all. Can't yet work out the AVC line, I'll get there though.
Strange with the mix of bases for the valves, B7G, B9A and Octal all in one set. Happy about the EM34 being good.
Strange with the mix of bases for the valves, B7G, B9A and Octal all in one set. Happy about the EM34 being good.
Boater Sam.